Adatlap a következőhöz: Faggiolati G 418 R3V3-S100AA2

Típus 1998-2026 Europe DE

Kapja meg a PDF adatlapot a postafiókjába!

  • Eredeti gyártói adatlap
  • További információ
  • részletes adatok

*Felhasználási feltételek

A LECTURA GmbH cég adatvédelmi szabályzata érvényes, amely további információkat is tartalmaz az adatai módosítási, törlési és blokkolási lehetőseiről.

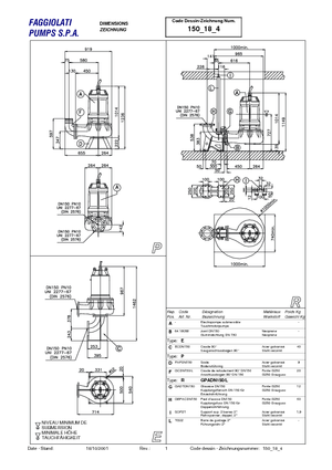
Szannyiszap szivattyúk Faggiolati G 418 R3V3-S100AA2



Mutassa a részletes specifikációt